Skontaktuj się z nami
Opis
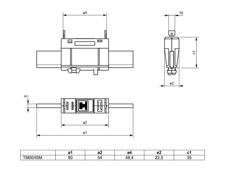
Zwora izolowana NH TM00/ISM N8584910 4029155746362
Nazwa produktu:
Oznaczenie producenta:
Nr artykułu:
Wielkość:
Sposób montażu:
Wykonanie:
Jednostka w opakowaniu:
Zastosowanie:
ETIM 5.0:
EAN:
Norma kontrolna:
690V 160A
Parametry elektryczne
Napięcie znamionowe Ue [V]
Prąd znamionowy Ie [A]
Prąd cieplny z wkładką topikową Ith [A]
Prąd cieplny ze zworą Ith [A]
Napięcie znamionowe izolacji Ui [V]
Napięcie udarowe Uimp [kV]
Warunkowy znamionowy prąd zwarciowy Icc[kA]
Częstotliwość f [Hz]
Prąd znamionowy krótkotrwały wytrzymywany (1 sek.) Icw [kAeff]
Kategoria użytkowania
Napięcie znamionowe udarowe wytrzymywane Uimp [kV]
Strata mocy przy Ith (bez wkładki topikowej) Pv [W]
Maksymalna dopuszczalna strata mocy na wkładce topikowej Pa [W]
Zdolność wyłączeniowa
Parametry mechaniczne
Mechaniczny okres użytkowania (cykle łączeniowe)
Elektryczny okres użytkowania (cykle łączeniowe)
Waga (bez opakowania)
Odległość między szynami
Grubość szyn
Długość
Szerokość
Średnica śruby
Przyłącze kablowe
Rodzaj przyłącza
Przekrój zaciskanych kabli
Moment dokręcenia
Stopień ochrony IP od strony czołowej
Stan pracy
Pokrywa przednia otwarta
Warunki pracy
Temperatura otoczenia T [°C]
Zakładany tryb pracy
Położenie montażowe
Maksymalna wysokość montażu
Stopień zabrudzenia
Kategoria przepięcia
Pobierz plik Pobierz plik Pobierz plik Pobierz plik
Deklaracja CE

Rysunek DXF

Plik 3D

PDF 3D (zalecane pobranie pliku na dysk)

