Ograniczniki przepięć dla linii telefonicznych i przesyłu danych
Urządzenia teleinformatyczne (systemy komunikacyjne, modemy, komputery, urządzenia końcowe w systemach przesyłu danych, itd.) stają się coraz bardziej podatne na przepięcia spowodowane skutkami uderzeń pioruna albo przepięciami łączeniowymi. Ich konstrukcja jest coraz bardziej zaawansowana technicznie i podatna na uszkodzenia.
W takiej sytuacji istnieje duże niebezpieczeństwo, że te wrażliwe urządzenia ulegną zniszczeniu wskutek przepięć spowodowanych skutkami uderzeń pioruna, indukcji albo załączeń. Bogata paleta zastosowań oraz nasza zależność od urządzeń tego typu we wszystkich dziedzinach współczesnego życia (przemysł, rzemiosło, budownictwo mieszkaniowe i codzienne życie, ruch uliczny, bezpieczeństwo itd.) sprawia, że ich awaria lub co gorzej zniszczenie jest trudne do zaakceptowania i związane z wysokimi kosztami.
Z uwagi na to, że od urządzeń i aplikacji teleinformatycznych wymaga się niezawodności, wskazane jest ich zabezpieczenie przed wszystkimi rodzajami przepięć.
Ograniczniki przepięć do aplikacji teleinformatycznych można podzielić na trzy typy:
- ochrona przeciwprzepięciowa do sieci telekomunikacyjnych;
- ochrona przeciwprzepięciowa do sieci przemysłowych;
- ochrona przeciwprzepięciowa do sieci komputerowych i LAN (Local Area Network).
Urządzenia CITEL różnią się układem połączeń elektrycznych i właściwościami mechanicznymi, w zależności od tego, w jakiej dziedzinie techniki zostaną zastosowane. Większość urządzeń końcowych podłączanych jest, nie tylko do przewodów przesyłu danych, ale również do sieci zasilającej. Z tego powodu należy pamiętać o kompleksowej ochronie przeciwprzepięciowej.
Decyzję o zastosowaniu ochrony przeciwprzepięciowej, można podjąć przez opracowanie prostej analizy zagrożeń, szczegółowej analizy zagrożeń według IEC 61643‑22 lub na podstawie specyficznych wymagań instalacyjnych. Przy ocenie ryzyka może pomóc poniższa tabela:
|
Parametr |
Niskie ryzyko |
Wysokie ryzyko |
|
Częstotliwość występowania piorunów (Ng) |
<2,5 |
>2,5 |
|
Położenie obiektu |
niewyeksponowane |
wyeksponowane |
|
Długość przewodów |
krótkie |
długie |
|
Ułożenie przewodów zasilających |
przewód podziemny |
linia napowietrzna |
|
Zakłócenia elektryczne |
niskie |
wysokie |
|
Zewnętrzna ochrona odgromowa |
nie |
tak |
|
Częstotliwość występowania burz |
rzadko |
często |
|
Wrażliwość urządzeń technicznych na zakłócenia |
niska |
wysoka |
|
Koszty urządzeń |
niskie |
wysokie |
|
Koszty przestojów |
do zaakceptowania |
nie do zaakceptowania |
|
Protokół |
Napięcie |
Układ połączeń |
|
|
Eksploatacja |
Napięcie resztkowe |
||
|
ADSL / Telefon analogowy |
170V |
210V |
Ochrona standardowa |
|
ISDN, T0 |
48V |
70V |
Ochrona rozszerzona |
|
ISDN, T2 |
6V |
25V |
Ochrona rozszerzona, mała pojemność |
|
SDSL, SHDSL |
170V |
210V |
Ochrona rozszerzona |
Zwykle z powodów ekonomicznych nie zabezpiecza się pojedynczych aparatów telefonicznych, za wyjątkiem tych wyjątkowo ważnych i istotnych dla funkcjonowania instytucji jak np. telefony alarmowe, policja, straż, pogotowie, wojsko. Natomiast zabezpieczenie central telefonicznych lub nawet centralek przełączeniowych, modemów itp. ma zwykle sens. Pod uwagę trzeba brać bowiem nie tylko wartość ewentualnie uszkodzonego w przypadku przepięcia sprzętu, ale przede wszystkim możliwy paraliż funkcjonowania firm i instytucji z powodu utraty łączności na dłuższy czas.
Ochrona sieci przemysłowych
Hale produkcyjne, budynki biurowe oraz ośrodki badawczo-rozwojowe posiadają wiele urządzeń i aplikacji teleinformatycznych. Wszystkie te systemy wyposażone są we wrażliwe i nierzadko podatne na zakłócenia podzespoły elektroniczne, których najmniejsze uszkodzenie, np. w procesach produkcyjnych, może doprowadzić do poważnych awarii i strat finansowych. Zagwarantowanie tym systemom niezawodnej ochrony przed awarią jest bardzo istotnym zadaniem i wymaga zastosowania urządzeń zabezpieczających przed przepięciem. Dotyczy to przede wszystkim takich wrażliwych na przepięcia systemów i urządzeń jak:
- przemysłowe układy sterowania procesowego;
- urządzenia pomiarowe i różnego typu sensory;
- instalacje do zbierania danych, kontrolowania i sterowania, jak np. SCADA;
- systemy wymiany danych, interfejsy, konwertery;
- układy zabezpieczające, systemy dostępu;
- sygnalizatory pożarowe;
- systemy nadzoru ruchu.
Systemy wymiany danych
Obecnie stosowane są na całym świecie liczne systemy wymiany danych.
W poniższej tabeli zawarto przegląd dostępnych ograniczników przepięć CITEL, w zależności od określonego typu zastosowania.
|
Zastosowanie |
Układ połączeń |
DLU |
DLA |
|
4-20 mA |
1 para żył |
||
|
Profibus-FMS |
1 para żył + ekran |
||
|
Profibus-PA |
1 para żył + ekran |
||
|
Profibus-DP |
1 para żył + ekran |
||
|
Interbus |
1 para żył + ekran |
||
|
Foundation Fieldbus-H1 |
1 para żył + ekran |
||
|
Foundation Fieldbus-H2 |
1 para żył + ekran |
||
|
WorldFIP |
1 para żył + ekran |
||
|
Fipway |
1 para żył + ekran |
||
|
LONworks |
1 para żył + ekran |
||
|
Batibus |
1 para żył + ekran |
||
|
RS485 |
1 para żył + ekran |
||
|
RS422 |
2 pary żył |
||
|
RS232 |
2 pary żył |
Różne wykonania
Ograniczniki firmy CITEL do aplikacji przemysłowych zaprojektowane są przede wszystkim do montażu na szynach montażowych TH35 (chociaż typoszereg Bx80 pozwala instalować te urządzenia w puszkach naściennych). Dostępne są w różnych wersjach, aby można je było dobierać do jak największej liczby aplikacji:
- liczba chronionych żył: 1 – 4;
- ekran;
- wtykowe moduły ochronne do szybkiej i łatwej wymiany.
Ochrona sieci wymiany danych
Podobnie jak w przypadku sieci telekomunikacyjnych i przemysłowych, również sieci wymiany danych wymagają niezawodnej ochrony. Zastosowanie urządzeń zabezpieczających przed przepięciem jest niezbędne zwłaszcza w poniższych sytuacjach:
- sieci obejmujące kilka budynków;
- sieci szerokopasmowe;
- silne oddziaływania elektromagnetyczne.
Układ ochronny ograniczników firmy CITEL stanowi, podobnie jak w innych typach zastosowań, połączenie iskierników gazowych w wykonaniu 2 lub 3-elektrodowym i szybko załączających się diod, co zapewnia następujące właściwości:
- wytrzymałość na prąd wyładowczy powyżej 5kA przy impulsie 8/20μs;
- wyjątkowo szybki czas zadziałania <1 ns;
- bezpieczne dla systemu wyłączenie w przypadku wystąpienia usterki;
- zabezpieczenie transmisji danych dzięki minimalnemu tłumieniu sygnału.
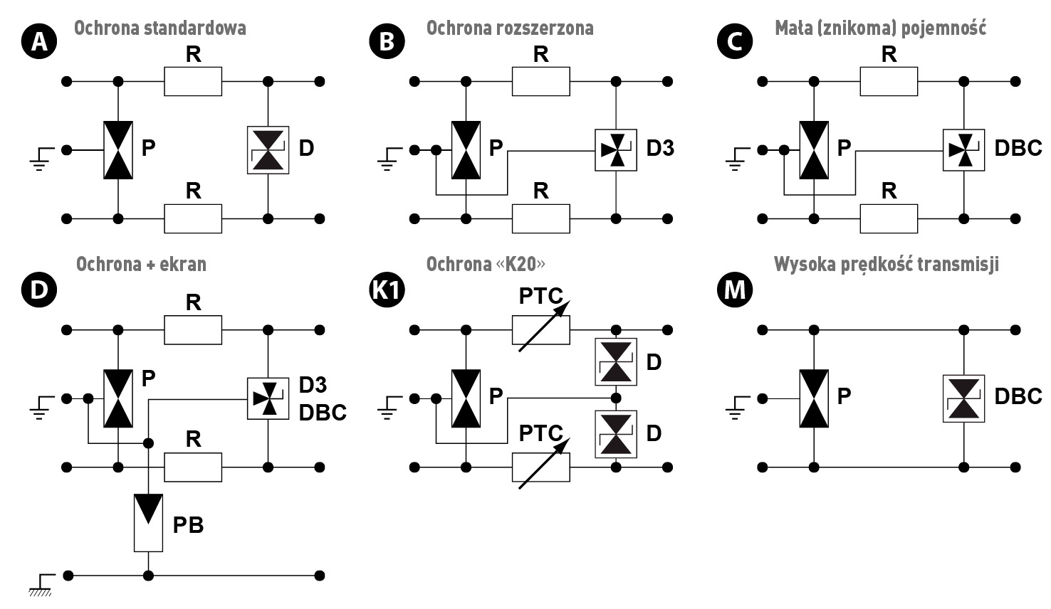
Technologia ochrony przeciwprzepięciowej
Do różnych sieci i wymagań w stosunku do ochrony przeciwprzepięciowej występują różne układy ochronne:
- ochrona standardowa, stosowana najczęściej w analogowych sieciach telefonicznych;
- ochrona rozszerzona w sieciach o niskich napięciach znamionowych;
- ochrona żył + ekranu: ochrona przewodu ekranowanego i sygnalizacyjnego;
- ochrona «K20» zgodnie z dyrektywą ITU-T K20;
- układ ochronny o «małej pojemności» dla dużych szybkości transmisji (>1 Mbit/s);
- ochrona przeciwprzepięciowa «Cat 5» lub «Cat 6»: zaprojektowana do bardzo dużych szybkości transmisji (do 10 Gbit/s).
Instalacja
W celu zagwarantowania skutecznej ochrony należy przestrzegać następujących zasad przy instalowaniu urządzeń zabezpieczających przed przepięciem:
- uziemienia ogranicznika przepięciowego i zabezpieczanego urządzenia muszą być połączone ze sobą;
- urządzenie ochrony przepięciowej powinno być zainstalowane na wejściu przewodów zasilania sieciowego, aby możliwie szybko odprowadzić prądy impulsowe;
- odległość pomiędzy ogranicznikiem przepięć i chronionym urządzeniem końcowych nie może przekraczać 10 m. Jeżeli nie można tego zapewnić, należy zainstalować dodatkowe urządzenie zabezpieczające przed przepięciem obok chronionego obiektu;
- przewód uziemiający powinien być możliwie jak najkrótszy (poniżej 0,5m) i posiadać minimalny przekrój żyły 2,5 mm2.
Typowe układy połączeń
P: Iskiernik 3-bieg.
P: Iskiernik 2-bieg.
R: Rezystor lub cewka
D: Dioda
D3: Dioda 3-bieg.
DBC: Układ diod o małej pojemności
V: Warystor
PTC: PTC
Ochrona sieci komputerowych
Dla pojedynczych budynków, jak też całych zakładów przemysłowych, połączonych sieciami komputerowymi, każdy problem techniczny z wymianą danych może mieć poważne konsekwencje zarówno dla bezpieczeństwa, jak też produktywności. Dlatego coraz większą uwagę zwraca się na zapewnienie pewności funkcjonowania tych systemów. Jednym z istotnych elementów jest zapewnienie ochrony tych wrażliwych systemów przed możliwymi przepięciami. Podobnie jak przy przemysłowych sieciach przesyłu danych wymienionych w poprzednim rozdziale, tutaj także jest niezbędne stosowanie ograniczników przepięć, szczególnie w następujących przypadkach:
- sieci obejmujące kilka budynków;
- sieci rozciągnięte na dużej przestrzeni;
- możliwe silne oddziaływania elektromagnetyczne.
Budowa i zastosowanie
Podobnie jak dla sieci LAN rozwiązania dla sieci komputerowych bazują na połączeniu iskierników gazowych w wykonaniu 3-elektrodowym i szybko załączających diod, co zapewnia skuteczną ochronę przed przepięciami powstałym w wyniku bliskiego uderzenia pioruna. Ponadto ograniczniki przepięć dla sieci komputerowych muszą być dostosowane do znamionowych napięć pracy, szybkości przesyłu danych, jak też standardowych połączeń. Ograniczniki firmy CITEL mają np. popularne gniazda RJ45 i obudowy zapewniające ochronę pojedynczych urządzeń, jak też umożliwiają instalację w szafach 19” w celu zabezpieczenia całych grup urządzeń. Ograniczniki dla sieci ETHERNET są dostosowane do szybkości transmisji do 1 Gbit/s w ramach systemów CAT-6. Rozwiązania CITEL pozwalają pokryć najróżniejsze potrzeby w tym zakresie, są dostosowane do najpopularniejszych systemów sieciowych
- CAT 5 i 5e
- CAT 6
- sieci PoE
MJ8 dla systemu przesyłu danych CAT-5e
Normy
Ograniczniki przepięć dla sieci komputerowych spełniają wymagania normy PN 61643-21
Ochrona sieci monitoringu
Sieci telewizji przemysłowych, w szczególności kamer monitorujących,
są zwykle rozciągnięte na dużej przestrzeni i tym samym bardzo narażone na przepięcia powstałe indukcyjnie od uderzeń piorunów. W tym przypadku zabezpieczenie kamer ma za zadanie nie tyle ochronić je ze względu na ich wartość, ale ze względu na funkcjonowanie całego systemu. Firma CITEL oferuje zarówno ograniczniki przepięć do zabezpieczania pojedynczych kamer, jak też do ochrony systemów zbiorczych w tej dziedzinie i urządzeń do cyfrowego zapisu. Oferta obejmuje ochronę zarówno analogowych, jak i cyfrowych kamer działających w różnych systemach.
Kamera analogowa:
MSP-VM-2P oferuje kompleksową ochronę w zakresie sieci zasilania, przekazu wideo i sterowania.
Kamera cyfrowa:
MSP-VM/R oferuje kompleksową ochronę w zakresie Ethernetu i układu zasilania.
Kamera PoE:
Ogranicznik przepięć MJ8-POE należy zainstalować przy chronionym urządzeniu.
Przy montażu zewnętrznym należy stosować ograniczniki przepięć typu CMJ8-POE.




