Home » Ograniczniki przepięć » Sieć AC» Typ 3 » Seria DS10S » DS13-230 - C341503
Ogranicznik przepięć - Typ 3
DS13-230
Nr art.: C341503

Skontaktuj się z nami

Opis

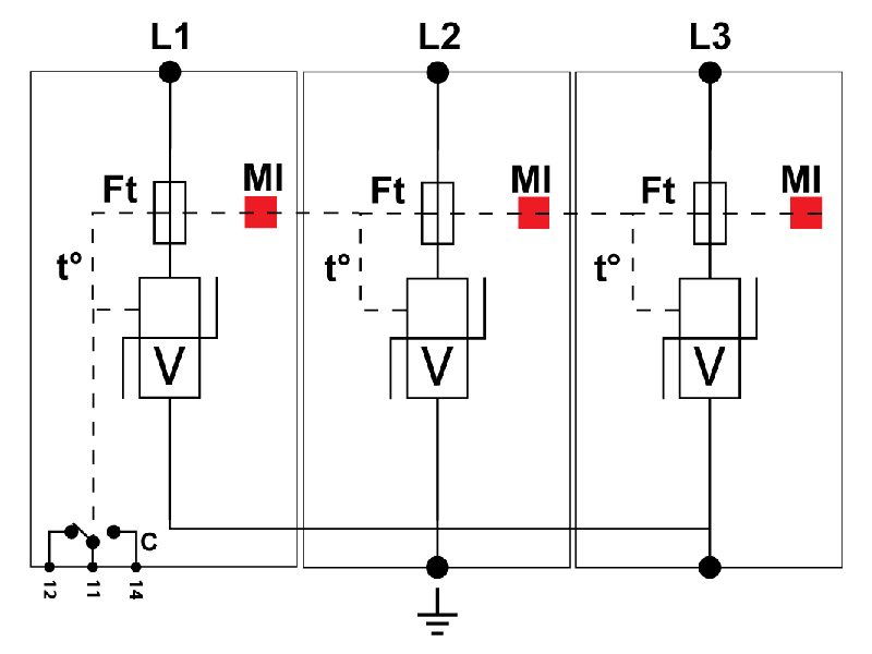
3-bieg. ogranicznik przepięć do sieci AC firmy CITEL o prądzie wyładowczym In = 5kA/bieg (8/20µs), gdzie jako element zabezpieczający zastosowano blok warystorów. Przeznaczony do montażu w rozdzielnicach nn jako 3-ci stopień zabezpieczeń przeciwko przepięciom indukowanym. Występuje również w wersji ze zdalną sygnalizacją zadziałania -S.

  • Napięcie znamionowe Un=230V AC 
  • Znamionowy prąd wyładowczy (8/20µs) In=5kA/bieg.
  • Maksymalny prąd wyładowczy (8/20µs) Imax=30kA
  • Częstotliwość znamionowa fn=50-60Hz
  • Prąd upływu < 1mA
  • Czas zadziałania ta < 20ns
Nazwa produktu:

Ogranicznik przepięć - Typ 3

Oznaczenie producenta:

DS13-230

Nr artykułu:

C341503

Jednostka w opakowaniu:

Zastosowanie:

ETIM 5.0:

EC000942

EAN:

5902232680669

Normy kontrolne:

PN-EN 61643-11

Parametry elektryczne

Układ połączeń

Układ sieci

TNC

Napięcie AC [V]

230V AC

Napięcie DC [V]

Maksymalne napięcie - Uc[V]

Najwyższe napięcie trwałej pracy Uc [V]

255V AC

Najwyższe napięcie trwałej pracy Uc AC [V]

Najwyższe napięcie trwałej pracy Uc DC [V]

Maks. prąd przy połączeniu szeregowym I [A]

Częstotliwość znamionowa - fn [Hz]

50-60 Hz

Przepięcie dorywcze TOV - 5 sekund - UT [V]

335V AC wytrz.

Przepięcie dorywcze TOV - 120 minut - UT [V]

440V AC rozˆ.

Przepięcie dorywcze TOV (N-PE) - UT [V]

Przepięcie dorywcze TOV (L-PE) - UT [V]

Przepięcie dorywcze TOV - UT [V]

Prąd udarowy (10/350 µs) - Iimp [kA]

Energia właściwa na biegun - W/R [kj/Ohm]

Udar kombinowany - Uoc [kV]

Udar kombinowany - test kl. III - Uoc [kV]

Udar kombinowany - test wg IEEE C62.41.2 - Uoc [kV]

Prąd upływu - Ic [A]

<1mA

Prąd roboczy / prąd upływu przy Uc - I [A]c

<1mA

Prąd następczy - If [A]

BRAK

Zdolność gaszenia prądu następczego - Ifi [Aeff]

Maks. prąd - podłączenie przewodów V [A]

Sposób ochrony

Czas zadziałania - tA [ns]

<20 ns

Maks. znam. prąd obciążenia - IL [A]

Prąd udarowy (10/350 μs) / 1 bieg. - Iimp [kA]

Prąd udarowy całkowity (10/350 μs) / 1 bieg. - Itotal [kA]

Znamionowy prąd wyładowczy (8/20 µs) - IN [kA]

15kA

Znamionowy prąd wyładowczy (8/20 µs) na biegun - IN [kA]

15kA

Maks. prąd wyładowczy (8/20 µs) na biegun - Imax [kA]

Maks. prąd wyładowczy (8/20 µs) razem - Itotal [kA]

Napięciowy poziom ochrony przy In - Up [kV]

0,9kV

Napięciowy poziom ochrony przy Uoc - Up [kV]

Napięciowy poziom ochrony - Up [kV]

Napięciowy poziom ochrony przy 6kV (1,2/50 µs - Up [kV]

Napięciowy poziom ochrony przy 5kA - Up [kV]

Napięciowy poziom ochrony przy 3kA - Up [kV]

Napięciowy poziom ochrony przy 10kA - Up [kV]

Napięciowy poziom ochrony przy 12,5kA - Up [kV]

Napięciowy poziom ochrony przy Imax - Up [kV]

Napięciowy poziom ochrony przy In - CM/DM(2) - Up [kV]

Napięciowy poziom ochrony przy LM/DM - Up [kV]

Napięciowy poziom ochrony CM/DM @ In (8/20µs) i @ 6kV (1,2/50µs) - Up [kV]

Napięcie zadziałania L-PE - Us [kV]

Maksymalna pojemność bocznika [µF]

RFI Filtr [Mhz]

Wytrzymałość zwarciowa - IISCCR [A]

25000A

Odporność na zwarcie - Ip [kA]

Tłumienność wtrąceniowa [dB]

Tłumienność odbiciowa [dB]

Współczynnik fali stojącej VSWR

Impedancja Z [Ω]

Urządzenia odłączające

Odłącznik termiczny

Maksymalny bezpiecznik [A]

do 40A (gL/gG)

Wyłącznik różnicowoprądowy (jeśli jest w sieci)

Parametry mechaniczne

Podłączenie do sieci

Wskaźnik pracy

Wymiary montażowe

Przekrój przewodu

Wskaźnik uszkodzeń

Zachowanie po uszkodzeniu

Sygnalizacja zdalna (FS)

Moc załączalna maks.

Przekrój przyłącza FS

Montaż

szyna montażowa TH35

Zakres temperatur pracy

od -40 do +85°C

Stopień ochrony obudowy

IP20

Materiał obudowy

tworzywo UL94-V0

Normy kontrolne

PN-EN 61643-11 - Polska

EN 61643-11 - Europa

UL1449 - USA

Zgodność z normami

Deklaracja CE

Pobierz plik