Home » Ograniczniki przepięć » Ograniczniki przepięć dla sieci komputerowych, serwerów i kamer monitoringu » Seria MSP-VM » MSP-VM12/R - C420413
Ogranicznik przepięć do zabezpieczania kamer monitoringu -
MSP-VM12/R
Nr art.: C420413
Skontaktuj się z nami
Opis
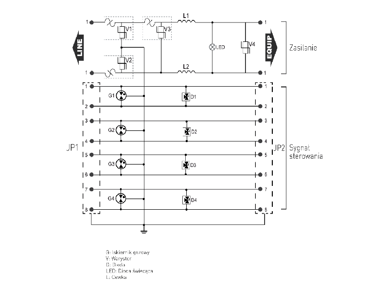
- Ogranicznik przepięć do systemów VIDEO, kamer monitorujących, przemysłowych i transmisji danych
- Wytrzymała metalowa obudowa
- Dla napięcia 230V i 120V AC lub 24V i 12V DC
- Optyczny wskaźnik uszkodzeń
- Gniazdo RJ45 dla sygnału i zasilanie przez zacisk śrubowy
- Zalecane do kamer monitoringu w urzędach, sądach, bankach, szpitalach, dworcach
| Nazwa produktu: | Ogranicznik przepięć do zabezpieczania kamer monitoringu - |
| Oznaczenie producenta: | MSP-VM12/R |
| Nr artykułu: | C420413 |
| Jednostka w opakowaniu: | |
| Zastosowanie: | |
| ETIM 5.0: | EC000943 |
| EAN: | |
| Normy kontrolne: | IEC 61643-21 |
Parametry elektryczne
| Układ połączeń | |
| Układ sieci | TN |
| Napięcie AC [V] | 12V AC |
| Napięcie DC [V] | 12V DC |
| Maksymalne napięcie - Uc[V] | |
| Najwyższe napięcie trwałej pracy Uc [V] | 15V AC |
| Najwyższe napięcie trwałej pracy Uc AC [V] | |
| Najwyższe napięcie trwałej pracy Uc DC [V] | |
| Maks. prąd przy połączeniu szeregowym I [A] | |
| Częstotliwość znamionowa - fn [Hz] | 16 MHz |
| Przepięcie dorywcze TOV - 5 sekund - UT [V] | |
| Przepięcie dorywcze TOV - 120 minut - UT [V] | |
| Przepięcie dorywcze TOV (N-PE) - UT [V] | |
| Przepięcie dorywcze TOV (L-PE) - UT [V] | |
| Przepięcie dorywcze TOV - UT [V] | |
| Prąd udarowy (10/350 µs) - Iimp [kA] | |
| Energia właściwa na biegun - W/R [kj/Ohm] | |
| Udar kombinowany - Uoc [kV] | |
| Udar kombinowany - test kl. III - Uoc [kV] | |
| Udar kombinowany - test wg IEEE C62.41.2 - Uoc [kV] | |
| Prąd upływu - Ic [A] | |
| Prąd roboczy / prąd upływu przy Uc - I [A]c | |
| Prąd następczy - If [A] | |
| Zdolność gaszenia prądu następczego - Ifi [Aeff] | |
| Maks. prąd - podłączenie przewodów V [A] | |
| Sposób ochrony | |
| Czas zadziałania - tA [ns] | |
| Maks. znam. prąd obciążenia - IL [A] | |
| Prąd udarowy (10/350 μs) / 1 bieg. - Iimp [kA] | |
| Prąd udarowy całkowity (10/350 μs) / 1 bieg. - Itotal [kA] | |
| Znamionowy prąd wyładowczy (8/20 µs) - IN [kA] | |
| Znamionowy prąd wyładowczy (8/20 µs) na biegun - IN [kA] | |
| Maks. prąd wyładowczy (8/20 µs) na biegun - Imax [kA] | |
| Maks. prąd wyładowczy (8/20 µs) razem - Itotal [kA] | |
| Napięciowy poziom ochrony przy In - Up [kV] | |
| Napięciowy poziom ochrony przy Uoc - Up [kV] | |
| Napięciowy poziom ochrony - Up [kV] | |
| Napięciowy poziom ochrony przy 6kV (1,2/50 µs - Up [kV] | |
| Napięciowy poziom ochrony przy 5kA - Up [kV] | |
| Napięciowy poziom ochrony przy 3kA - Up [kV] | |
| Napięciowy poziom ochrony przy 10kA - Up [kV] | |
| Napięciowy poziom ochrony przy 12,5kA - Up [kV] | |
| Napięciowy poziom ochrony przy Imax - Up [kV] | |
| Napięciowy poziom ochrony przy In - CM/DM(2) - Up [kV] | |
| Napięciowy poziom ochrony przy LM/DM - Up [kV] | |
| Napięciowy poziom ochrony CM/DM @ In (8/20µs) i @ 6kV (1,2/50µs) - Up [kV] | |
| Napięcie zadziałania L-PE - Us [kV] | |
| Maksymalna pojemność bocznika [µF] | |
| RFI Filtr [Mhz] | |
| Wytrzymałość zwarciowa - IISCCR [A] | |
| Odporność na zwarcie - Ip [kA] | |
| Tłumienność wtrąceniowa [dB] | <1dB |
| Tłumienność odbiciowa [dB] | |
| Współczynnik fali stojącej VSWR | |
| Impedancja Z [Ω] |
Urządzenia odłączające
| Odłącznik termiczny | |
| Maksymalny bezpiecznik [A] | |
| Wyłącznik różnicowoprądowy (jeśli jest w sieci) |
Parametry mechaniczne
| Podłączenie do sieci | |
| Wskaźnik pracy | |
| Wymiary montażowe | |
| Przekrój przewodu | |
| Wskaźnik uszkodzeń | |
| Zachowanie po uszkodzeniu | |
| Sygnalizacja zdalna (FS) | |
| Moc załączalna maks. | |
| Przekrój przyłącza FS | |
| Montaż | |
| Zakres temperatur pracy | od -40 do +85°C |
| Stopień ochrony obudowy | IP20 |
| Materiał obudowy | anodyzowane aluminium |
Normy kontrolne
| PN-EN 61643-11 - Polska | |
| EN 61643-11 - Europa | |
| UL1449 - USA | |
| Zgodność z normami |
| Deklaracja CE |
Pobierz plik |
| Rysunek DXF |
Pobierz plik |
| Plik 3D |
Pobierz plik |
| PDF 3D (zalecane pobranie pliku na dysk) |
Pobierz plik |

