Skontaktuj się z nami
Opis
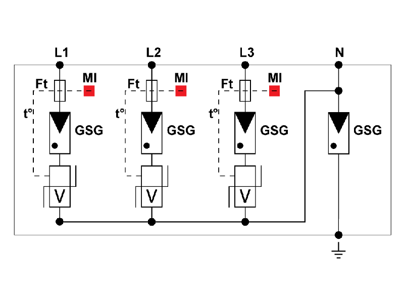
4-bieg. ogranicznik przepięć do sieci AC i DC wykonany w technologii VG firmy CITEL, monoblok o szerokości tylko 72mm, gdzie jako elementy zabezpieczające zastosowano szeregowe połączenie iskiernika gazowego z warystorem. Do montażu w rozdzielnicach głównych obiektów wyposażonych w elementy ochrony odgromowej lub narażonych na oddziaływanie silnego pola elektromagnetycznego jako 1-szy stopień zabezpieczeń. Aparat cechuje się bardzo niskim poziomem ochrony Up, brakiem prądów: upływu, roboczego i następczego. W standardzie zdalna sygnalizacja zadziałania. Znak jakości VDE. Układ połączeń L/N i N/PE (układ sieci: TT, TN-S)
- Napięcie znamionowe Un=230/400V AC/DC
- Znamionowy prąd udarowy (10/350µs) Iimp=25kA/bieg.
- Całkowity prąd udarowy (10/350µs) Itotal=100kA
- Znamionowy prąd wyładowczy (8/20µs) In=40kA/bieg.
- Częstotliwość znamionowa fn=0-100Hz
- Czas zadziałania ta < 20ns
- 10 lat gwarancji producenta (technologia VG)
| Nazwa produktu: | Ogranicznik przepięć - Typ 1+2+3 |
| Oznaczenie producenta: | DUT250VG-300/TT |
| Nr artykułu: | C3582 |
| Jednostka w opakowaniu: | |
| Zastosowanie: | |
| ETIM 5.0: | EC001457 |
| EAN: | 5902232680416 |
| Normy kontrolne: | PN-EN 61643-11 |
Parametry elektryczne
| Układ połączeń | L/N i N/PE |
| Układ sieci | TT, TN-S |
| Napięcie AC [V] | 230V AC |
| Napięcie DC [V] | 230V DC |
| Maksymalne napięcie - Uc[V] | |
| Najwyższe napięcie trwałej pracy Uc [V] | 255V AC |
| Najwyższe napięcie trwałej pracy Uc AC [V] | |
| Najwyższe napięcie trwałej pracy Uc DC [V] | |
| Maks. prąd przy połączeniu szeregowym I [A] | |
| Częstotliwość znamionowa - fn [Hz] | 0-100Hz |
| Przepięcie dorywcze TOV - 5 sekund - UT [V] | 335V AC wytrz. |
| Przepięcie dorywcze TOV - 120 minut - UT [V] | 440V AC wytrz. |
| Przepięcie dorywcze TOV (N-PE) - UT [V] | 1200V/200 ms/300A |
| Przepięcie dorywcze TOV (L-PE) - UT [V] | 1454V/200 ms/300A |
| Przepięcie dorywcze TOV - UT [V] | |
| Prąd udarowy (10/350 µs) - Iimp [kA] | 50kA |
| Energia właściwa na biegun - W/R [kj/Ohm] | 156 kJ/Ohm |
| Udar kombinowany - Uoc [kV] | |
| Udar kombinowany - test kl. III - Uoc [kV] | 6 kV |
| Udar kombinowany - test wg IEEE C62.41.2 - Uoc [kV] | |
| Prąd upływu - Ic [A] | BRAK |
| Prąd roboczy / prąd upływu przy Uc - I [A]c | BRAK |
| Prąd następczy - If [A] | BRAK |
| Zdolność gaszenia prądu następczego - Ifi [Aeff] | |
| Maks. prąd - podłączenie przewodów V [A] | |
| Sposób ochrony | |
| Czas zadziałania - tA [ns] | <20 ns |
| Maks. znam. prąd obciążenia - IL [A] | |
| Prąd udarowy (10/350 μs) / 1 bieg. - Iimp [kA] | |
| Prąd udarowy całkowity (10/350 μs) / 1 bieg. - Itotal [kA] | |
| Znamionowy prąd wyładowczy (8/20 µs) - IN [kA] | |
| Znamionowy prąd wyładowczy (8/20 µs) na biegun - IN [kA] | |
| Maks. prąd wyładowczy (8/20 µs) na biegun - Imax [kA] | 40kA |
| Maks. prąd wyładowczy (8/20 µs) razem - Itotal [kA] | 150kA |
| Napięciowy poziom ochrony przy In - Up [kV] | <1,1kV |
| Napięciowy poziom ochrony przy Uoc - Up [kV] | <1,5kV |
| Napięciowy poziom ochrony - Up [kV] | |
| Napięciowy poziom ochrony przy 6kV (1,2/50 µs - Up [kV] | |
| Napięciowy poziom ochrony przy 5kA - Up [kV] | <0,65kV |
| Napięciowy poziom ochrony przy 3kA - Up [kV] | |
| Napięciowy poziom ochrony przy 10kA - Up [kV] | |
| Napięciowy poziom ochrony przy 12,5kA - Up [kV] | <0,8kV |
| Napięciowy poziom ochrony przy Imax - Up [kV] | <1,5kV |
| Napięciowy poziom ochrony przy In - CM/DM(2) - Up [kV] | |
| Napięciowy poziom ochrony przy LM/DM - Up [kV] | |
| Napięciowy poziom ochrony CM/DM @ In (8/20µs) i @ 6kV (1,2/50µs) - Up [kV] | |
| Napięcie zadziałania L-PE - Us [kV] | |
| Maksymalna pojemność bocznika [µF] | |
| RFI Filtr [Mhz] | |
| Wytrzymałość zwarciowa - IISCCR [A] | |
| Odporność na zwarcie - Ip [kA] | |
| Tłumienność wtrąceniowa [dB] | |
| Tłumienność odbiciowa [dB] | |
| Współczynnik fali stojącej VSWR | |
| Impedancja Z [Ω] |
Urządzenia odłączające
| Odłącznik termiczny | wewnątrz |
| Maksymalny bezpiecznik [A] | do 315A (gL/gG) |
| Wyłącznik różnicowoprądowy (jeśli jest w sieci) | typ „S“ lub zwłoczny |
Parametry mechaniczne
| Podłączenie do sieci | |
| Wskaźnik pracy | |
| Wymiary montażowe | 4 TE |
| Przekrój przewodu | 6-35 (50) mm² |
| Wskaźnik uszkodzeń | LED |
| Zachowanie po uszkodzeniu | |
| Sygnalizacja zdalna (FS) | brak |
| Moc załączalna maks. | |
| Przekrój przyłącza FS | |
| Montaż | 4 |
| Zakres temperatur pracy | od -40 do +85°C |
| Stopień ochrony obudowy | IP20 |
| Materiał obudowy | tworzywo PEI UL-94-V0 |
Normy kontrolne
| PN-EN 61643-11 - Polska | ogranicznik przępięć typu 1+2+3 |
| EN 61643-11 - Europa | |
| UL1449 - USA | Low voltage SPD |
| Zgodność z normami |
| Deklaracja CE |
Pobierz plik |

