Home » Ograniczniki przepięć » Ograniczniki przepięć dla teleinformatyki » Seria DLU i DLU2 » DLU-06D3 - C640501
Ogranicznik przepięć -
DLU-06D3
Nr art.: C640501
Skontaktuj się z nami
Opis
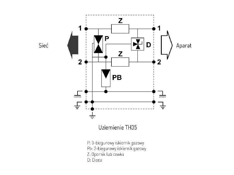
- Do wszystkich aplikacji z przyrządami pomiarowymi, sterowniczymi, regulacyjnymi, telekomunikacyjnymi i przetwarzania danych
- Przesył danych do 10Mbit/s
- Obudowa monoblokowa o szerokości 1TE (18 mm)
- Zabezpieczenie 2 par żył (tylko moduł DLU2)
- Zabezpieczenie przyłącza ekranowania (tylko moduł DLU)
- Uziemienie przez szynę montażową DIN
- Ekran przewodu jest dodatkowo uziemiony przez iskiernik gazowy
- Spełnia wymagania norm IEC 61643‑21 i VDE 0845‑3‑1
| Nazwa produktu: | Ogranicznik przepięć - |
| Oznaczenie producenta: | DLU-06D3 |
| Nr artykułu: | C640501 |
| Jednostka w opakowaniu: | |
| Zastosowanie: | |
| ETIM 5.0: | EC001466 |
| EAN: | |
| Normy kontrolne: | IEC 61643-21 |
Parametry elektryczne
| Układ połączeń | |
| Układ sieci | |
| Napięcie AC [V] | |
| Napięcie DC [V] | 6V |
| Maksymalne napięcie - Uc[V] | |
| Najwyższe napięcie trwałej pracy Uc [V] | 7V |
| Najwyższe napięcie trwałej pracy Uc AC [V] | |
| Najwyższe napięcie trwałej pracy Uc DC [V] | |
| Maks. prąd przy połączeniu szeregowym I [A] | |
| Częstotliwość znamionowa - fn [Hz] | >3 MHz |
| Przepięcie dorywcze TOV - 5 sekund - UT [V] | |
| Przepięcie dorywcze TOV - 120 minut - UT [V] | |
| Przepięcie dorywcze TOV (N-PE) - UT [V] | |
| Przepięcie dorywcze TOV (L-PE) - UT [V] | |
| Przepięcie dorywcze TOV - UT [V] | |
| Prąd udarowy (10/350 µs) - Iimp [kA] | 5kA |
| Energia właściwa na biegun - W/R [kj/Ohm] | |
| Udar kombinowany - Uoc [kV] | |
| Udar kombinowany - test kl. III - Uoc [kV] | |
| Udar kombinowany - test wg IEEE C62.41.2 - Uoc [kV] | |
| Prąd upływu - Ic [A] | |
| Prąd roboczy / prąd upływu przy Uc - I [A]c | maks.300mA |
| Prąd następczy - If [A] | BRAK |
| Zdolność gaszenia prądu następczego - Ifi [Aeff] | |
| Maks. prąd - podłączenie przewodów V [A] | |
| Sposób ochrony | |
| Czas zadziałania - tA [ns] | <1 ns |
| Maks. znam. prąd obciążenia - IL [A] | |
| Prąd udarowy (10/350 μs) / 1 bieg. - Iimp [kA] | |
| Prąd udarowy całkowity (10/350 μs) / 1 bieg. - Itotal [kA] | |
| Znamionowy prąd wyładowczy (8/20 µs) - IN [kA] | |
| Znamionowy prąd wyładowczy (8/20 µs) na biegun - IN [kA] | |
| Maks. prąd wyładowczy (8/20 µs) na biegun - Imax [kA] | |
| Maks. prąd wyładowczy (8/20 µs) razem - Itotal [kA] | |
| Napięciowy poziom ochrony przy In - Up [kV] | |
| Napięciowy poziom ochrony przy Uoc - Up [kV] | |
| Napięciowy poziom ochrony - Up [kV] | |
| Napięciowy poziom ochrony przy 6kV (1,2/50 µs - Up [kV] | |
| Napięciowy poziom ochrony przy 5kA - Up [kV] | |
| Napięciowy poziom ochrony przy 3kA - Up [kV] | |
| Napięciowy poziom ochrony przy 10kA - Up [kV] | |
| Napięciowy poziom ochrony przy 12,5kA - Up [kV] | |
| Napięciowy poziom ochrony przy Imax - Up [kV] | |
| Napięciowy poziom ochrony przy In - CM/DM(2) - Up [kV] | |
| Napięciowy poziom ochrony przy LM/DM - Up [kV] | |
| Napięciowy poziom ochrony CM/DM @ In (8/20µs) i @ 6kV (1,2/50µs) - Up [kV] | |
| Napięcie zadziałania L-PE - Us [kV] | |
| Maksymalna pojemność bocznika [µF] | |
| RFI Filtr [Mhz] | |
| Wytrzymałość zwarciowa - IISCCR [A] | |
| Odporność na zwarcie - Ip [kA] | |
| Tłumienność wtrąceniowa [dB] | |
| Tłumienność odbiciowa [dB] | |
| Współczynnik fali stojącej VSWR | |
| Impedancja Z [Ω] |
Urządzenia odłączające
| Odłącznik termiczny | |
| Maksymalny bezpiecznik [A] | |
| Wyłącznik różnicowoprądowy (jeśli jest w sieci) |
Parametry mechaniczne
| Podłączenie do sieci | |
| Wskaźnik pracy | |
| Wymiary montażowe | |
| Przekrój przewodu | |
| Wskaźnik uszkodzeń | |
| Zachowanie po uszkodzeniu | |
| Sygnalizacja zdalna (FS) | |
| Moc załączalna maks. | |
| Przekrój przyłącza FS | |
| Montaż | |
| Zakres temperatur pracy | od -40 do +85°C |
| Stopień ochrony obudowy | IP20 |
| Materiał obudowy | Tworzywo UL94-V0 |
Normy kontrolne
| PN-EN 61643-11 - Polska | |
| EN 61643-11 - Europa | |
| UL1449 - USA | |
| Zgodność z normami |
| Deklaracja CE |
Pobierz plik |

