Home » Ograniczniki przepięć » Sieć AC » Typ 1+2 » Seria DS130RS » DS131R-230 - C571501
Ogranicznik przepięć - Typ 1+2
DS131R-230
Nr art.: C571501

Skontaktuj się z nami

Opis

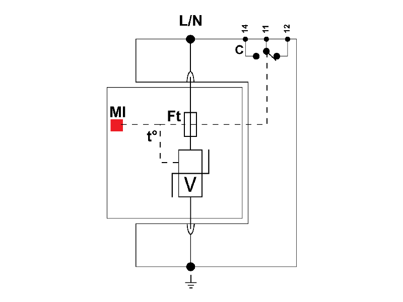
1-bieg. ogranicznik przepięć do sieci AC firmy CITEL  o prądzie udarowym Iimp.= 12,5kA/bieg (10/350µs),  gdzie jako element zabezpieczający zastosowano blok warystorów dużej mocy.  Przeznaczony do montażu w rozdzielnicach wyposażonych w elementy ochrony odgromowej lub narażonych na oddziaływanie silnego pola elektromagnetycznego jako 1-szy stopień zabezpieczeń. Występuje również w wersji ze  zdalną sygnalizacją zadziałania RS.

  • Napięcie znamionowe Un=230V AC
  • Znamionowy prąd udarowy (10/350µs) Iimp=12,5kA/bieg.
  • Znamionowy prąd wyładowczy (8/20µs) In=20kA/bieg.
  • Częstotliwość znamionowa fn=50-60Hz
  • Czas zadziałania ta < 20ns
Nazwa produktu:

Ogranicznik przepięć - Typ 1+2

Oznaczenie producenta:

DS131R-230

Nr artykułu:

C571501

Jednostka w opakowaniu:

Zastosowanie:

ETIM 5.0:

EC001457

EAN:

5902232680133

Normy kontrolne:

PN-EN 61643-11

Parametry elektryczne

Układ połączeń

Układ sieci

TT, TN

Napięcie AC [V]

230/400VAC

Napięcie DC [V]

Maksymalne napięcie - Uc[V]

Najwyższe napięcie trwałej pracy Uc [V]

255V AC

Najwyższe napięcie trwałej pracy Uc AC [V]

Najwyższe napięcie trwałej pracy Uc DC [V]

Maks. prąd przy połączeniu szeregowym I [A]

Częstotliwość znamionowa - fn [Hz]

50-60Hz

Przepięcie dorywcze TOV - 5 sekund - UT [V]

335V AC wytrz.

Przepięcie dorywcze TOV - 120 minut - UT [V]

440V AC rozł.

Przepięcie dorywcze TOV (N-PE) - UT [V]

Przepięcie dorywcze TOV (L-PE) - UT [V]

Przepięcie dorywcze TOV - UT [V]

Prąd udarowy (10/350 µs) - Iimp [kA]

12,5kA

Energia właściwa na biegun - W/R [kj/Ohm]

40 kJ/Ohm

Udar kombinowany - Uoc [kV]

Udar kombinowany - test kl. III - Uoc [kV]

Udar kombinowany - test wg IEEE C62.41.2 - Uoc [kV]

Prąd upływu - Ic [A]

<1mA

Prąd roboczy / prąd upływu przy Uc - I [A]c

<1mA

Prąd następczy - If [A]

BRAK

Zdolność gaszenia prądu następczego - Ifi [Aeff]

Maks. prąd - podłączenie przewodów V [A]

Sposób ochrony

Czas zadziałania - tA [ns]

<25 ns

Maks. znam. prąd obciążenia - IL [A]

Prąd udarowy (10/350 μs) / 1 bieg. - Iimp [kA]

Prąd udarowy całkowity (10/350 μs) / 1 bieg. - Itotal [kA]

Znamionowy prąd wyładowczy (8/20 µs) - IN [kA]

20kA

Znamionowy prąd wyładowczy (8/20 µs) na biegun - IN [kA]

20kA

Maks. prąd wyładowczy (8/20 µs) na biegun - Imax [kA]

Maks. prąd wyładowczy (8/20 µs) razem - Itotal [kA]

Napięciowy poziom ochrony przy In - Up [kV]

1,3kV

Napięciowy poziom ochrony przy Uoc - Up [kV]

Napięciowy poziom ochrony - Up [kV]

Napięciowy poziom ochrony przy 6kV (1,2/50 µs - Up [kV]

Napięciowy poziom ochrony przy 5kA - Up [kV]

Napięciowy poziom ochrony przy 3kA - Up [kV]

Napięciowy poziom ochrony przy 10kA - Up [kV]

Napięciowy poziom ochrony przy 12,5kA - Up [kV]

Napięciowy poziom ochrony przy Imax - Up [kV]

Napięciowy poziom ochrony przy In - CM/DM(2) - Up [kV]

Napięciowy poziom ochrony przy LM/DM - Up [kV]

Napięciowy poziom ochrony CM/DM @ In (8/20µs) i @ 6kV (1,2/50µs) - Up [kV]

Napięcie zadziałania L-PE - Us [kV]

Maksymalna pojemność bocznika [µF]

RFI Filtr [Mhz]

Wytrzymałość zwarciowa - IISCCR [A]

Odporność na zwarcie - Ip [kA]

Tłumienność wtrąceniowa [dB]

Tłumienność odbiciowa [dB]

Współczynnik fali stojącej VSWR

Impedancja Z [Ω]

Urządzenia odłączające

Odłącznik termiczny

wewnątrz

Maksymalny bezpiecznik [A]

do 160A (gL/gG)

Wyłącznik różnicowoprądowy (jeśli jest w sieci)

typ „S“ lub zwłoczny

Parametry mechaniczne

Podłączenie do sieci

Wskaźnik pracy

Wymiary montażowe

1 TE

Przekrój przewodu

2,5-25 (35 mm²)

Wskaźnik uszkodzeń

mechaniczny, czerwony

Zachowanie po uszkodzeniu

Sygnalizacja zdalna (FS)

bezpotencjałowy zestyk przełączalny

Moc załączalna maks.

250V/0,5A (AC) / 30V/2A (DC)

Przekrój przyłącza FS

jedno-/wielożyłowego maks. 1,5 mm²

Montaż

na szynę TH35

Zakres temperatur pracy

od -40 do +85°C

Stopień ochrony obudowy

IP20

Materiał obudowy

tworzywo PEI UL-94-V0

Normy kontrolne

PN-EN 61643-11 - Polska

ogranicznik przepięć typu 1+2

EN 61643-11 - Europa

Low Voltage SPD - Test Class I, II

UL1449 - USA

Low voltage SPD

Zgodność z normami

Deklaracja CE

Pobierz plik